PVC-U Aufklebe-Abzweig / Aufklebe-Sattel mit G1/2" Innengewinde für PVC Druckrohre mit 50 / 63... mehr
PVC-U Aufklebe-Abzweig / Aufklebe-Sattel mit G1/2" Innengewinde für PVC Druckrohre mit 50 / 63 (AD)
Loch bohren, aufkleben, fertig! Hält bis 10bar!
- Ideal für die Nachrüstung von Abzweigen
- nur 32mm breite Klebefläche
- passend zu unseren Sets und Dosieranlagen
- Lieferbar für Rohraussendurchmesser: 50mm und 63mm
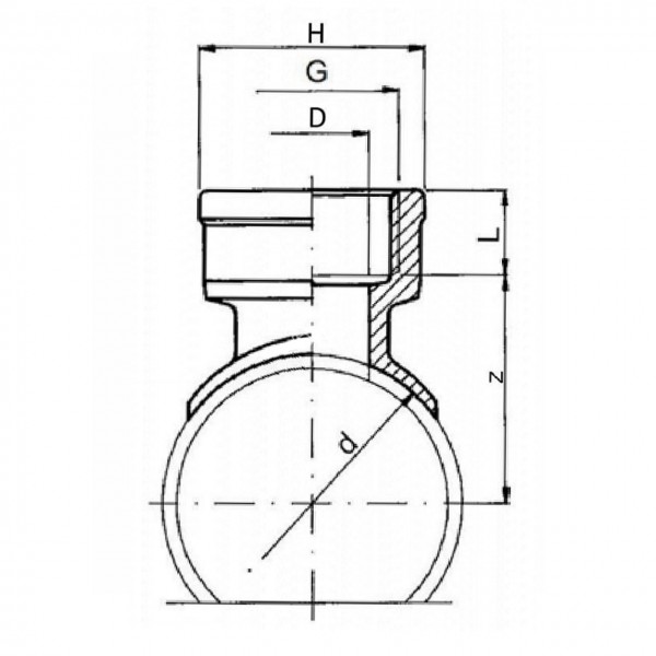
Abmessungen - siehe letztes Bild:
50mm - d= 50mm - D= 14mm - G= G1/2"IG - H= 30,0mm - L= 15,0mm - z= 42,0mm
63mm - d= 63mm - D= 14mm - G= G1/2"IG - H= 30,0mm - L= 15,0mm - z= 48,0mm
Weiterführende Links zu "PVC Aufklebeabzweig / Aufklebesattel - G1/2""
Bewertungen lesen, schreiben und diskutieren... mehr
Kundenbewertungen für "PVC Aufklebeabzweig / Aufklebesattel - G1/2""
Bewertung schreiben
Bewertungen werden nach Überprüfung freigeschaltet.
TIPP!
TIPP!
TIPP!
TIPP!
TIPP!
TIPP!
TIPP!
TIPP!
TIPP!
TIPP!
TIPP!
TIPP!
TIPP!
TIPP!
TIPP!
TIPP!
TIPP!
TIPP!
TIPP!
TIPP!
TIPP!
TIPP!
TIPP!
TIPP!
TIPP!
TIPP!
TIPP!



